SPN Automatic
Installation, details, options

For a larger view, please mouseover the image.
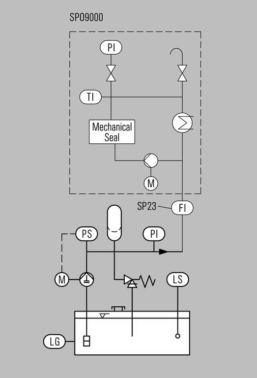
Operating and installation diagram for an automatic refill unit.